| | Hledání | Kontakty | O firmě | Servis | Fórum | eShop | Ceník [€] | m.elsaco.cz | | Přihlásit |
| Název | délka | aktualizace | ke stažení |
| Projekt 16 = svatky.opf | 7 kB | 09.11.2010 | fred_proj16.zip |

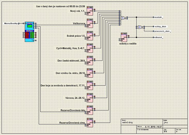
Mnohdy potřebujeme vytvořit (např. pro útlumy topení či ohřevu TUV) signály, které nám pak pro další logiku ve schématech říkají, zda je v aktuální den svátek, víkend, volný či pracovní den.
Jako základ zmíněné logiky můžete vzít tento školní příklad, zkontrolovat (i podle kalendáře) zadávání svátků, případně upravit / doplnit a použít ve svém projektu.
Ve svém projektu můžete použít (podle situace) i "obrácenou logiku", čímž je myšleno topit / ohřívat utlumeně a teprve ve zvolené časové úseky "dotopit / dohřát". Zjednodušeně řečeno záleží v podstatě na tom, zda se jedná o lokalitu "veřejnou" (škola, úřad, továrna, ...), kde ve volné dny potřebujeme šetřit (tlumit) nebo o lokalitu "soukromou" (dům, byt), kdy potřebujeme šetřit naopak v pracovních dnech (v době, kdy nejsme přítomni v domě, bytě, ...).
Základem pro stanovení "typu" dne (svátek / nesvátek) je modul TIMER, ve kterém lze zadat časový úsek v rámci celého roku. Protože budeme využívat logický výstup V<>0, zadáváme parametr value nulový. Protože se jedná vždy o časový úsek celého dne, zadáváme zapínací čas od 00:00 do 23:59 (zbývající minuta nás nezničí). Pak stačí ještě zadat datum, tj. den a měsíc, ve kterém je daný svátek. Ostatní parametry raději zkontrolujeme, většinou stačí ponechat defaultní.
Krom Velikonoc jsou ostatní svátky pevné. Proto modul TIMER, který definuje Velikonoční svátky, nabídneme modulu SCREEN pro možnost editace, při které musíme pro každý aktuální rok zadat příslušná data.
V dolní části schéma jsou dva moduly TIMER opět napojeny na modul SCREEN pro zadávání dvou časových úseků. Ty lze využít pro definici dalšího možného "volna", např. pro dovolené, prázdniny apod.
Víkendy nadefinujeme jedním modulem TIMER - viz projekt.
Závěrem pomocí součtových hradel vytvoříme logické signály svátek, víkend, volný den a pracovní den. Ty pak používáme v další logice...