| | Hledání | Kontakty | O firmě | Servis | Fórum | eShop | Ceník [€] | m.elsaco.cz | | Přihlásit |


Objednací číslo
XBI-11 EI5451
ZÁKLADNÍ CHARAKTERISTIKA
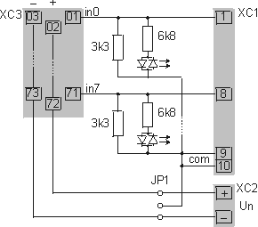
Řešení modulů plně nahrazuje obvyklé přechodové svorkovnice, je rozvedeno napájecí napětí pro polovodičové snímače ap. K mikropočítači FCPU-02A se napojuje za piggy PBI-11.

TECHNICKÉ ÚDAJE
Vstupy dle ČSN EN 61 131-2, typ 1
Vstupní napětí log.1 (typ): 12 / 24 V
Max. vstupní napětí (1s): 26 / 40 V
Vstupní proud při log.1:
bez PBI-11: 11 mA
s PBI-11: 16 mA
Rozměry desky bez držáku:
47 x 72,5 mm
Rozsah pracovních teplot:
-10÷+50 °C