| | Hledání | Kontakty | O firmě | Servis | Fórum | eShop | Ceník [€] | m.elsaco.cz | | Přihlásit |

Citlivost přijímače: min.±200 mV
Vstupní odpor přijímače: 12 kohmů
Výstupní úroveň signálů:
typ. 3,7 V; min. 1,5 V
Max. délka vedení: 1200 m
Izolační napětí GO: 1000 V DC
Max. přenosová rychlost: 2 Mbit/s
Napájení: 10 ÷ 30 V
Spotřeba: max. 2 W
Max. proud z napájecích svorek do konektoru na čelním štítku: 2
A
Rozsah pracovních teplot: -10 ÷ 50 °C
Rozměry: 18 x 90 x 73 mm
Objednací číslo:
SMI-11A EI5511.10 (již neobjednávejte)
SMI-12 EI5512.00
katalogový list k_smi11a.pdf - 184.6 kB, 23.03.2006
technický manuál msmi11a.pdf - 203.6 kB, 22.07.2010
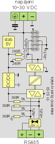
SMI-11A je určen jako oddělovač linky pro periferní jednotky se
sériovou linkou RS-485 řady PROMOS
line 2. Modulární uspořádání umožňuje také výstavbu obecných opakovačů
a rozbočovačů pro komunikační linky RS-485.
SMI-11A obsahuje kompletní galvanický oddělovač linky RS-485. Galvanicky
oddělený přívod komunikační linky na šroubovacích svorkách je vybaven dvoustupňovou
přepěťovou ochranou (bleskojistka, transil) a připínatelnými odpory pro
definici klidového stavu a impedanční zakončení. Druhý konec linky RS-485
je společně s napájecím napětím vyveden na hřebínkový konektor v čelním
štítku. Tato strana linky není určena pro vzdálené vedení, ale pouze pro
přímé propojení dalších oddělovačů nebo připojení periferních jednotek.
Odpory pro definici klidového stavu linky jsou připínatelné spínači.
Připojení periferních jednotek řady PROMOS line 2 může být provedeno plochým
kabelem nebo spojkami InCo. Napájení oddělovače pak zajišťuje i napájení
připojených jednotek.
Čelní konektor je také možné použít pro vzájemné spojení více oddělovačů.
Dva spojené moduly vytváří plnohodnotný opakovač RS-485 s přepěťovou ochranou
a galvanicky oddělenými linkami (vzájemně i od napájecího napětí).
Při spojení více modulů je možné vytvořit galvanicky oddělený rozbočovač
nebo hvězdicový koncentrátor. Vývody všech linek jsou zcela rovnocenné.
Každá větev má vlastní ochranu proti degradaci linky trvale aktivní úrovní.
V takovém případě je větev odpojena a nezpůsobí zablokování ostatních větví.
