| | Hledání | Kontakty | O firmě | Servis | Fórum | eShop | Ceník [€] | m.elsaco.cz | | Přihlásit |

Napájení: 5 V DC
Max. odběr: 0,6 A
Galvanické oddělení: 1000 V ss
Max. přenosová rychlost:
RS-422 - 200 kBd
RS-485 - 200 kBd
proudová smyčka 20mA - 56 kBd
Max. délka kabelu: 1200 m
Rozměry dxšxv: 182 x 92 x 36 mm
Rozsah pracovních teplot: -5°C až +35°C
Rozsah skladovacích teplot: -10°C až +50°C
Prostředí:
normální, bez agresivních plynů, solí a par
Objednací číslo: EI5020
Ostatní parametry, popis a návod v manuálu - odkaz ke stažení vpravo nahoře.
technický manuál mslc20.pdf - 417.5 kB, 03.05.2002
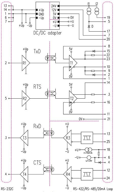
Univerzální sériový adaptér SLC-20 (EI5020) je řešen jako samostatné zařízení realizující převod standardního sériového rozhraní RS-232C (V.24, V.28) na rozhraní standardu RS-422, RS-485 a proudovou smyčku 20mA. Typ rozhraní si volí uživatel propojením výstupního konektoru bez potřeby zásahu do adaptéru. To umožňuje připojovat koncová zařízení pro přenos dat s různými typy rozhraní bez nutnosti cokoli znovu nastavovat. K napájení adaptéru je třeba jediné napájecí napětí 5V/0.6A max., obvykle z použitého počítače. Pro připojení k počítačům PC XT/AT jsou určeny dodávané kabely, které kromě propojení rozhraní RS-232C zajišťují připojení napájecího napětí z konektoru, který slouží pro připojení klávesnice. Adaptér zajišťuje galvanické oddělení počítače s rozhraním RS-232C od ostatních koncových zařízení pro přenos dat.
